
德國小型液壓小吊車為德國Hydrobul品牌產品,該品牌公司成立于1934年,是主要開發生產液壓小吊車,針對客戶的需求不斷創新。“煙臺開發區龍海起重工具有限公司”為其品牌產品銷售公司。

德國Hydrobull小型液壓小吊車特點:
* Hydrobull小型液壓小吊車是被設計用來臨時搬運作業的,搬運重量為500kg,可配電池驅動(德國小型電動液壓小吊車)
* Hydrobull小型液壓小吊車采用后置轉向手柄,可以操作負載物,非常靈活。
* Hydrobull小型液壓小吊車液壓系統經過500次全工程作業后,未檢測到磨損,使用壽命長
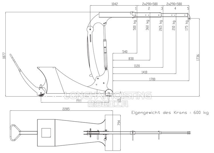
* Hydrobull小型液壓小吊車可折疊,節省空間,同時臂中的縮結構確保吊鉤不會撞擊手輪以至油污泄露如下圖:

【提升】通過大行程的雙作用液壓泵以及長泵桿、高質量的符合DIN標準的安全旋轉鍍鋅吊鉤實現更好的動力運輸。
【下降】是通過手輪實現的,取決于開口的調整,負載物慢慢下降,或者按比例更快、更慢。負載物可隨時停止確保安全,動力單元配有自動關閉保持彈簧如果放開下降手輪,會自動關閉,防止懸臂不受控制下降帶來的危險。
【懸臂】有5個設置。從螺栓上拆下開口銷,拉出或推入懸臂,用開口銷固定螺栓即可,內部懸臂部分采用鍍鋅處理,具有更好的滑動性能和超長的使用壽命,懸臂處設有安全鎖固定,確保懸臂不會意外分離而出現危險。
【駕駛】通過帶軸承尼龍輪和符合人體工程學的轉向手柄手動輔助。由于方向盤定位在手柄上,在無負載的情況下容易操作和轉向。轉向手柄也安裝在軸承上,可180度旋轉。
【制動】通過將轉向手柄防止直立位置,輕松方便的進行。液壓小吊車自動鎖定到位,所有輪子都有腳部保護設計。
【應用】可用來更換工具、裝卸金屬絲架或者安裝窗玻璃,也可提升擔架到救護車等。


德國Hydrobull小型液壓小吊車實物展示:19年1月23日產品到貨,型號ITI500N,載荷500kg,我公司為授權代理商!


小型液壓小吊車屬于德國Hydrobull原裝進口產品,保質2年,我公司承諾凡是客戶在我公司訂購的進口類產品均為原裝正品,絕不存在拆件貨,換件貨,假冒品牌產品,凡客戶從我公司訂購德國Hydrobull產品如收到貨物時發現有拆件貨,換件貨,假冒、假貨仿貨均以100倍金額賠償。
產品選型:液壓小吊車?