
CCV型方管起重鉗:日本鷹牌EAGLE CLAMP品牌產品,建筑工程用起重鉗,5倍安全系數,煙臺開發區龍海起重工具有限公司銷售

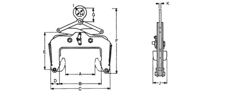
CCV型鷹牌EAGLE CLAMP方管起重鉗特點
* 鋼制本體,堅固耐用,使用壽命長達7-8年
* 附帶釋放裝置,5倍安全系數
* 采用雙凸輪結構,采用高強度鋼制本體,使用壽命長

CCV型鷹牌EAGLE CLAMP方管起重鉗吊裝案例:
適用于建筑工程、各種方管、角柱(200°~500°)的抬高、搬運、焊接、組裝、加工等工作。

鷹牌EAGLE CLAMP產品選型:鷹牌EAGLE CLAMP鋼板起重鉗